°è·ù¿ë ß¾ cap
    Ç⳪¹«/cap
    WD ¹«´µ/cap
°è·ù¿ë ù» cap
    Insert cap
    µ¹±â cap AÇü
    µ¹±â cap
    Touch cap
    ¼öÆÄ cap
ÁßÃþ cap
    ÁßÃþ²Å±â½Ä/cap
    ÁßÃþ»©±â½Ä/cap
    ÁßÃþ»©±â½Ä/ring
¹Ù´Ù´ë ù» cap
    Power cap
    ÀÌ¼Ò cap
¸±½ÃÆ®
    ÆÄÀÌÇÁÅë ½ÃÆ®1
    ÆÄÀÌÇÁÅë ½ÃÆ®2
¶ãä cap
    FUNE cap
    ¹Î¹° ¶ãäcap
±â Ÿ
ÀÚµ¿Â÷ ºÎǰ
 


   ÁßÃþ»©±â½Ä ring   

 
´ÜÀ§ m/m  
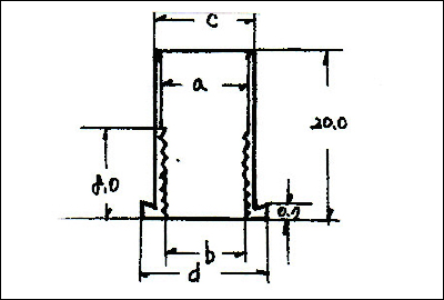
NO 9 10 11 12 13 14 15 16 17 18 19 20
a (¼ÒÀç ¿Ü°æ) 9.0 9.5 10.0 10.5 11.0 11.5 12.0 12.5 13.0 13.5 14.0 14.5
b 7.6 8.1 8.6 9.1 9.6 10.1 10.6 11.1 11.6 12.1 12.6 13.1
c 10.2 10.7 11.2 11.7 12.2 12.7 13.2 13.7 14.2 14.7 15.2 15.7
d 14.2 14.2 14.2 14.7 15.2 15.7 16.2 16.7 17.2 17.7 18.2 18.7
 
 
 
ÁÖ¼Ò : ´ë±¸±¤¿ª½Ã ºÏ±¸ »ê°Ýµ¿ 802-2 ¹øÁö
Copyright(c) 2004 Dolgicap.COM All rights reserved.